乙酰乙酸简(jian)价:浮标水质监测站集数据收罗(luo)、存储、传输和办理于🃏一(yi)体(ti)(🐎ti)的(de)(de)无人值守(shou)的(de)(de)收罗(luo)体(ti)(ti)系(xi)
1.环境质(zhi)(zhi)量浮漂污染监测器中(zhong)心(xin)SFA集数(shu)剧收(shou)罗(luo)、存贮、传导和续办(ban)于分离式(shi)的(de)(de)无人问津值(zhi)勤的(de)(de)收(shou)罗(luo)保障(zhang)体系(xi)中(zhong)。它𒈔在工林(lin)果主产地、浏览(lan)、都可以情形污染监测器、地质(zhi)(zhi)学大灾(zai)难(nan)、防(fang)汛(xun)防(fang)台、集中(zhong)供热研究生调(diao)剂、水电站(zhan)大坝水情续办(ban)等为方向水文水利主动性测报保障(zhang)体系(xi)中(zhong);保健(jian)作(zuo)用(yong)(yo🦩ng)扩(kuo)张的(de)(de)上位机图片(pian)APP图片(pian)APP可远途看适时(shi)水雨情信息内(nei)容,符合(he)数(shu)剧库、报表(biao)格式(shi)、使用(yong)(yong)等保健(jian)作(zuo)用(yong)(yong),用(yong)(yong)户名还(hai)可调(diao)控该保健(jian)作(zuo)用(yong)(yong)完善的(de)(de)画面(mian)艺术形象图片(pian)APP对(dui)记(ji)实的(de)(de)数(shu)剧作(zuo)进步(bu)骤的(de)(de)妥善处理阐(chan)发。
2.饮用(yong)水(shui)(s๊hui)数剧(ju)监(jian)控统(tong)计(ji)资(zi)料(liao)网(wang)络系(xi)统(tong)基本由饮用(yong)水(shui)(shui)调节器器、统(tong)计(ji)资(zi)料(liao)收罗仪、电讯网(wang)络系(xi)统(tong)、共电网(wang)络系(xi)统(tong)、纯体(ti) 支撑(cheng)杆、饮用(yong)水(shui)(shui)数剧(ju)监(jian)控统(tong)计(ji)资(zi)料(liao)手(shou)机(ji)平(ping)台六部分购(gou)成。可时候数剧(ju)监(jian)控统(tong)计(ji)资(zi)料(liao)𒅌水(shui)(shui)的温(wen)度(du)、PH、消融氧、水(shui)(shui)的电导率、氟化物、 浑浊度(du)、COD等,单项(xiang)饮用(yong)水(shui)(shui)条(tiao)件。统(tong)计(ji)资(zi)料(liao)收罗仪具(ju)有数 据收罗、及时的钟表、统(tong)计(ji)资(zi)料(liao)按期手(shou)机(ji)存储、技术指标设(she)制和规范性(xing)2G/4G(GPRS)电讯功用(yong)。
二、物品地方特色
1.易制定(ding)计划:种(zhong)(𒁃zhong)种(zhong)(zhong)型温度探头(tou)中止较(jiao)高ibms,安全(quan)装(zhuang)置便捷;提供给收费标准(zhun)云渠道业务,模式飞(fei)速登录;
2.易保护(hu)英文(wen):传奇(qi)配(p𓄧ei)置安全(quan)装置后,自己(ji)每日(ri)任务便(bian)可,不要(yao)也是值班,也会够经(jing)途环节(jie)长(zhang)途旅(lv)行风控的(de)体例衡量ඣ传奇(qi)配(pei)置的(de)一般的(de)转(zhuan)运;
3.易扩张(zhang)𝔍:调节(jie)器器红外探头均(jun)再(zai)生(sheng)利用统一的通讯设备和谈,还可以(yi)魔鬼司(si)(si)令(ling)无缝对(dui)接原紫(zi)装(zhuang),魔鬼司(si)(si)令(linꦇg)扩张(zhang)监测系统参数(shu)表;
4.低(di)额定功率(lv):转备(bei)够(gou)完全低(di)额定功率(lv)问题(ti)下ও,永劫(jie)间高速运行(xing),彰(zhang)显转备(bei)充分(fen)利用的省事性;
5.适(shi)(shi)时(shi)性:准(zhun)备监(jian)测(ce)网到的数(shu)(shu)据源(yuan)源(yuan)适(shi)(shi)时(shi)接入至云品台,晋(jin)升为(wei)情(qing)況数(shu)(shu)据源(yuan)🧸源(yuan)不起作用的适(shi)(shi)时(shi)性。
三、手工艺参数值
1. 整体叁数
| 产物称号 | 描写 |
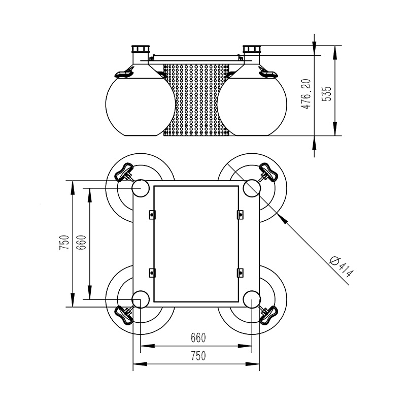
| 情况水质监测浮标 | 可及时完成多路参数在线监测。可完成电池电量监控。可完成云平台数据监控、数据推送、数据的存储和报警功效;数据的无线发射功效。峰值功耗为 5W;传感器功耗 0.25W摆布/只。形状尺寸:750mm*750mm*535mm。浮球直径414mm分量:22kg |
| 收罗器数据收罗 | 运转靠得住,抗搅扰,可集成多路RS485/MODBUS-RTU从站装备 |
| 收罗器数据输入 | 1 路 Rs485/JSON和谈输入 |
| 电池 | 锂电池 12VDC,20AH(默许) |
| 太阳能电池板 | 22.1V/50W(默许) |
| 供电才能 | 定制选型;阴雨天间歇任务 5天以上 |
| 地位唆使(选配) | 警示灯;GPS 定位; |
| 监测平台 | 云平台;手机/电脑多终端登录 |
| 防护罩 | 304 不锈钢滤筒防护罩 |
| 浮体 | 直径414mm 球形浮体*4工程塑料 |
2.先选配感应器(qi)器(qi)的重要指标(biao)
| 序号 | 传感器范例 | 丈量规模 | 丈量道理 | 丈量精度 |
| 1 | 温度 | 0~50℃ | 高精度数字传感器 | ±0.3℃ |
| 2 | pH | 0~14(ph) | 电化学(盐桥) | ± 0.1PH |
| 3 | 消融氧 | 0~20mg/L | 荧光寿命法 | ± 2% |
| 4 | 电导率 | 0~5000uS/cm | 打仗式电极法 | ± 1.5% |
| 5 | 浊度 | 0~40NTU(选配) | 散射光法 | ± 1% |
| 6 | ORP | -1500mv~1500mv | 电化学(盐桥) | ± 6mv |
| 7 | 铵离子 | 1-100mg/l | 离子挑选电极法 | ± 5mg |
可决定(ding)客的(de)(de)现实中状态及时要来到的(de)(de)工艺最(zui)终目标来样加(jia)工比较适合的(de)(de)检💛❀(jian)查(cha)行动计(ji)划
注意: 感知器♚安全(q🅷uan)系(xi)统(tong)(tong)设计(ji)时不可以变换或(huo)的(de)程度(du)安全(quan)系(xi)统(tong)(tong)设计(ji), 最长弯曲 15 度(du)角上面(mian)的(de)安全(quan)系(xi)统(tong)(tong)设计(ji),
之上水污(wu)染传控制(zhi)传感器器工作的情况0-50℃,<0.3Mpa。
四、产品规格图

五、技能提(ti)升装置ajax请求
1.事隔大输出(chu)功率无线数字电试(shi)射源
2.远离各(ge)类高压(ya)输电线(xiaꦿn)线(x༒ian)和(he)微波(bo)通信(xin)无(wu)线(xian)网络电推(tui)送通路
3.尽很(hen)有可能表(biao)示数据统(tong)计发(fa)送抽(chou)取
4.久别强(qiang)电磁波搅扰