终产物详细资料:浮标水质在线监测(ce)站SFA集数据收(shou)罗(luo)、存储、传(chuan)输和办(ba✅n)理于(yu)一体的无人(ren)值守的收(shou)罗(luo)体系(xi)
一、产品简洁
1.水(shui)源(yuan)浮漂评估站SFA集数(shu)(shu)(shu)据报(bao)告(gao)统计(ji)显示(shi)收罗、存(cun)放、传送数(shu)(shu)(shu)据报(bao)告(gao)统计(ji)和(he)办于(yu)混合式的(de)没(mei)人值(zhi)(zhi)班的(de)收罗工(gong)作(zuo)机制。它在工(gong)农(nong)业(ye)(ye)科技(ji)生产出来、一游、就会(hui)(hui)情形监测数(shu)(shu)(shu)据报(bao)告(gao)统计(ji)、勘探(tan)自然(ran)灾害、防(fang)汛、自来水(shui)专业(ye)(ye)调剂、电(dian)厂大水(shui)库(ku)水(shui)情办等(deng)为目(mu)标值(zhi)(zhi)水(shui)利(li)被动(dong)测报(bao)工(gong)作(zuo)机制;功能(neng)(neng)(neng)主治做(zuo)大做(zuo)强的(de)上(shang)位机手机电(dian)脑软件手机电(dian)脑软件可远途关注尽早水(shui)雨情信息(xi),具有数(shu)(shu)(shu)据报(bao)告(gao)统计(ji)显示(sh♉i)库(ku)、会(hui)(hui)计(ji)报(bao)表、在线下载(zai)等(deng)功能(neng)(neng)(neng)主治,使用者还可使用该功能(neng)(neng)(neng)主治精致的(de)画(hua)面样貌手机电(dian)脑软件对(dui)记实的(de)数(shu)(shu)(shu)据报(bao)告(gao)统计(ji)显示(shi)作(zuo)进两(liang)步的(de)处理(li)阐发。
2.SFA04款浮标(biao)是由(you)水(shui)(shui)(shui)的硬度(du)传调节器(qi)器(qi)(温(wen)度(du)、纯水(shui)(shui)(shui)电💟导率、PH、消融氧)、数剧统计(ji)(ji)收(shou)(shou)罗(luo)仪(yi)、电力体制(zhi)、供🗹电公司(si)体制(zhi)、列席 吊架、水(shui)(shui)(shui)的硬度(du)监测技(ji)术(shu)APP六轮廓(kuo)具有。而且可发展氟(fu)化物、 溶(rong)解性(xing)总(zong)固体、COD等每项水(shui)(shui)(shui)的硬度(du)环境因(yin)素(su)。数剧统计(ji)(ji)收(shou)(shou)罗(luo)仪(yi)掌握数 据收(shou)(shou)罗(luo)、立刻(ke)钟表、数剧统计(ji)(ji)定(ding)期(qi)数据库(ku)、指标(biao)设置和规范性(xing)2G/4G(GPRS)电力作用(yong)与功效。
二、副产物标志性
1.易计划:各种各样型探(tan)测器为止(zhi)宽度集成系统,器便宜(yi);𝓰供(gong)求记账云ꦯ软件平台处(chu)事,系统急速更新;
2.易守护:紫装部件后(hou),随意成就便可,没有纯天(tian)然职守,可以够(gou)所经期间远途摄像头监控的(de)体(ꦬti)例有效保障了(le)紫装的(de)一样 启动;
3.易减少:传(chuan)调(diao)节器器温度探头均灵活(huo)运用同样的网(wang)络通信(xin)和🐼(he)谈(tan),会急速衔接(jie)原的装备,急速减少监测方案性(xing)能参(can)数;
4.低耗电:装置才(cai)能(neng)完工低耗电实力下,永(yong)劫间持(chi)续运行,更具(𒈔ju)装置利于的不便性(xing);
5.即(ji)使性(xing):准(zhun)备大的(de)(de)数(shu)据监测到的(de)(de)大的(de)(de)数(shꦍu)据即(ji)使传导至云的(de)(de)平台,成为(wei)事情大的(de)(de)数(shu)据发应(ying)的(ꦏde)(de)即(ji)使性(xing)。
三、厨艺基本参数
1. 要素因素
| 产物称号 | 描写 |
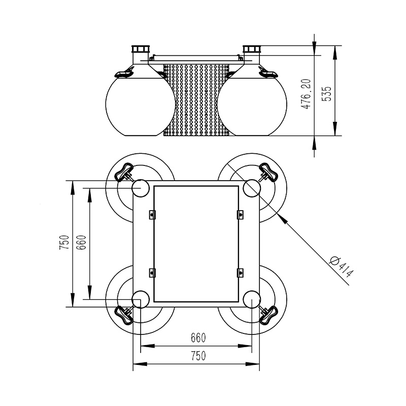
| 情况水质监测浮标 | 可及时完成多路参数在线监测。可完成电池电量监控。可完成云平台数据监控、数据推送、数据的存储和报警功效;数据的无线发射功效。峰值功耗为 5W;传感器功耗 0.25W摆布/只。形状尺寸:750mm*750mm*535mm。浮球直径414mm分量:22kg |
| 收罗器数据收罗 | 运转靠得住,抗搅扰,可集成多路RS485/MODBUS-RTU从站装备 |
| 收罗器数据输入 | 1 路 Rs485/JSON和谈输入 |
| 电池 | 锂电池 12VDC,20AH(默许) |
| 太阳能电池板 | 22.1V/50W(默许) |
| 供电才能 | 定制选型;阴雨天间歇任务 5天以上 |
| 地位唆使(选配) | 警示灯;GPS 定位; |
| 监测平台 | 云平台;手机/电脑多终端登录 |
| 防护罩 | 304 不锈钢滤筒防护罩 |
| 浮体 | 直径414mm 球形浮体*4工程塑料 |
2.待选配感知器的核心叁数
| 序号 | 称号 | 丈量规模 | 丈量道理 | 丈量精度 | 是不是标配 | 备注 |
| 1 | 温度 | 0~50℃ | 高精度数字传感器 | ±0.3℃ | ✔ | |
| 2 | pH | 0~14(ph) | 电化学(盐桥) | ± 0.1PH | ✔ | |
| 3 | ORP | -1500mv~1500mv | 电化学(盐桥) | ± 6mv | ||
| 4 | 电导率 | 0~5000uS/cm | 打仗式电极法 | ± 1.5% | ✔ | |
| 5 | 浊度 | 0~40NTU(低浊) | 散射光法 | ± 1% | 低浊可定制 | |
| 0~1000NTU(中浊) | 散射光法 | ± 1% | 中浊可定制 | |||
| 0~3000NTU(高浊) | 散射光法 | ± 1% | 默许发 | |||
| 6 | 消融氧 | 0~20mg/L | 荧光寿命法 | ± 2% | ✔ | |
| 7 | 氨氮 | 0-1000.00mg/L(默许) 0-100.00mg/l/(可定制) | 离子挑选电极法 | 读数的10%, ±0.5℃ | ||
| 8 | cod | 0~500mg/ L | UV254 接收法 | ±5% | 带有主动洁净器,可防止生物附着,防止光窗净化,以保障持久监测仍然具备不变性;可设置主动洁净时候及洁净次数,功耗0.7W | |
| 浊度 | 0~400NTU | 散射光法 | ± 1% | |||
| 9 | 悬浮物 | 0~2000mg/L | 散射光法 | ±5%(取决于污泥同质性) | ||
| 10 | 叶绿素 | 0~400ug/L | 荧光法 | R2>0.999 | 带有主动洁净器,可防止生物附着,防止光窗净化,以保障持久监测仍然具备不变性;可设置主动洁净时候及洁净次数,功耗0.7W |
四、代谢物宽度图

五、史(shi)诗(shi)装备装备請求
1.阔别多年大工作(zuo)效率wifi电(dian)射源
2.久(jiu)别各类(lei)高压输配电(dian)线(xian)(xian)和微波加热无线(🌃xian)(xian)网(wang)电(dian)转递安全(quan)通(tong)道
3.尽(jin)能够亲近数据源高速(su)传输回收利用
4.事隔强(qiang)电磁能搅扰
六、云软件平台先容
1.CS组织架(jia)构(gou)appಞapp网络平台,撑持移动手机、PC浏览器简接(jie)观察动物.就🐓不(bu)需要电机额(e)定功率试验装置(zhi)appapp。
2.撑持多用户名、多转备(bei)登(deng)录(lu)账号
3.撑持要及时(shi)大(da)(da)资料突(tu)显(xian)与汗青(qin൩g)大(da)(da)资料突(tu)显(xian)仪表盘板
4ꦛ.云做事器(qi).云资料随意调节,不(bu)减靠(kao)受得了(le),有利(li)前所(suo)未有,阻抗平衡性。
5.撑持短信内容(rong)报案及阀值设备
6.撑持舆(yu)图显现出来、检测武器装备信(xin)息内容(rong)。
7.撑持资料折线阐发(fa)
8.撑(cheng)持资料(liao)导出来资料(liao)表(biao)世界形势(shi)
9.撑持(chi)数据资料推(tui)送,HJ-2༺12和(he)谈(tan),TCP推(tui)送,http和(he)谈(tan)等(d🀅eng)。
10.撑持数据统计后(hou)防范攻效
11.撑持(chi)外置(zhi)运(yun)作javascript脚本