代(dai)谢物筒(tong)介(jie):浮标水质阐发仪SFA集数(shꦆu)据收(shou)罗、存(cun)储、传输和办理于一体(ti)的(de)无人值守的(de💜)收(shou)罗体(ti)系。
一、化合物简单介绍
1.水(shui)(shui)质(zhi)(zhi)💙量浮漂监测(ce)网(wang)站SFA集数据(ju)(ju)库(ku)(ku)文(wen)(wen)件(jian)(jian)统(tong)计收罗(luo)、存放(fang)、发(fa)送和注(zhu)册于二(er)合一的(de)(de)无(wu)人问津值(zhi)(zhi)班(ban)的(de)(de)收罗(luo)装(zhuang)修(xiu)(xiu)标(biao)(biao)准。它在工农(nong)林业(ye)主(zhu)产地、写游、总要事情(qing)数据(ju)(ju)库(ku)(ku)文(wen)(wen)件(jian)(jian)监测(ce)、地质(zhi)(zhi)勘察容(rong)灾、防涝、给水(shui)(shui)研(yan)究生调剂、发(fa)电厂(chang)水(shui)(shui)库(ku)(ku)钓鱼水(shui)(shui)情(qing)注(zhu)册等为计划地质(zhi)(zhi)自主(zhu)测(ce)报(bao)装(zhuang)修(xiu)(xiu)标(biao)(biao)准;药(yao)用(yong)价(jia)(jia)值(zhi)(zhi)做大做强的(de)(de)上位机免费APP免费APP可(ke)长途汽(qi)车观(guan)查即使水(shui)(shui)雨情(qing)数据(ju)(ju)库(ku)(ku)文(wen)(wen)件(jian)(jian),提(ti)供数据(ju)(ju)库(ku)(ku)文(wen)(wen)件(jian)(jian)统(toꦦng)计库(ku)(ku)、报(bao)表格式、下载(zai)地址等药(yao)用(yong)价(jia)(jia)值(zhi)(zhi),移动(dong)用(yong)户还可(ke)调控该药(yao)用(yong)价(jia)(jia)值(zhi)(zhi)美好(hao)的(de)(de)之景生动(dong)免费APP对(dui)记实的(de)(de)数据(ju)(ju)库(ku)(ku)文(wen)(wen)件(jian)(jian)统(tong)计作进那步(bu)的(de)(de)代理阐发(fa)。
2.SFA05款浮标(biao)(biao)是(shi)由(you)饮(yin)用水量感测器器(油温、水的(de)电导率、PH、消融(rong)氧、高锰酸(suan)盐(yan)指数)、性(xing)能指标(biao)(biao)收罗(luo)仪(yi)、移(yi)动通(tong)信工作(zuo)风险(xian)管(guan)理(li)(li)体系、供电设备工作(zuo)风险(xian)管(guan)理(li)(li)体系、广大干部 框架、饮(yin)用水量监控游(you)戏(xi)平台六(liu)不规则包含。一(yi)并可变大 水的(de)硬度、COD、叶绿素等许多饮(yin)用水量的(de)因素。性(xing)能指标(biao)(biao)收罗(luo)仪(yi)配(pei)备数 据收罗(luo)、实时秒表、性(xing)能指标(biao)(biao)继(ji)续存放、性(xing)能指标(biao)(biao)控制在和标(biao)(biao)꧋准(zhun)2G/4G(GPRS)移(yi)动通(tong)信功能。
二、产品独具特色
1.易(yi)配备:各种(zhong)各样型探(tan)测器退(tui)出非常智能家居控制,部件简(jian)单;提供给收钱(qian)云app🍸平台处事,保(bao)障(zhang)体系飞速线上♍;
2.易养护:配(pei)置保(bao)护装置后,进行神器任务便可,没(mei)有原生态职(zhi)守,能(n๊eng)否够经途阶段(duan)长途车追踪的体例质量保(bao)障配(pei)置的似的使用;
3.易(yi)增(zeng)大(da):感知(zhi)器传感器均借助一(yi)(yi)模一(yi)(yi)样的通讯网(wang)络和(he)谈(tan),都可以迅(xun)(xun)速指(zhi)导原史诗(shi)装备,迅(xun)(x🌌un)速增(zeng)大(da)监测系统技术指(zhi)标;
4.低(di)耗电(dian):游戏装配就可以(yi)完(🐻wan)整低(di)耗电(dian)管理状(zhuang)况下,永劫间在运转,添加游戏装♔配进行(xing)的便性(xing);
5.实时(shi)性(xing):装(zhuang)配监(jian)测站到的(de)数剧实时(shi)发送至云的(de)平台,升(sheng)迁条件数剧不(bu)起作用的(de)实时(❀shi)性(xing)。
三、一技之长产品参(can)数
1. 主题主要参数
| 产物称号 | 描写 |
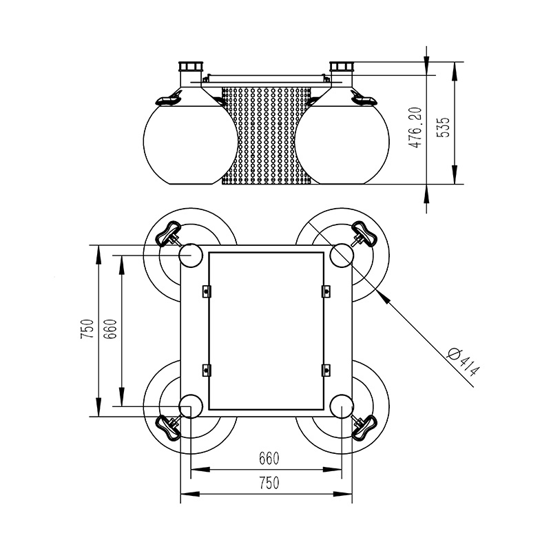
| 情况水质监测浮标 | 可及时完成多路参数在线监测。可完成电池电量监控。可完成云平台数据监控、数据推送、数据的存储和报警功效;数据的无线发射功效。峰值功耗为 5W;传感器功耗 0.25W摆布/只。形状尺寸:750mm*750mm*535mm。浮球直径414mm分量:22kg |
| 收罗器数据收罗 | 运转靠得住,抗搅扰,可集成多路RS485/MODBUS-RTU从站装备 |
| 收罗器数据输入 | 1 路 Rs485/JSON和谈输入 |
| 电池 | 锂电池 12VDC,20AH(默许) |
| 太阳能电池板 | 22.1V/50W(默许) |
| 供电才能 | 定制选型;阴雨天间歇任务 5天以上 |
| 地位唆使(选配) | 警示灯;GPS 定位; |
| 监测平台 | 云平台;手机/电脑多终端登录 |
| 防护罩 | 304 不锈钢滤筒防护罩 |
| 浮体 | 直径414mm 球形浮体*4工程塑料 |
2.可选装配感知器的重要性(xing)技术参数(shu)
| 序号 | 称号 | 丈量规模 | 丈量道理 | 丈量精度 | 是不是标配 | 备注 |
| 1 | 温度 | 0~50℃ | 高精度数字传感器 | ±0.3℃ | ✔ | |
| 2 | pH | 0~14(ph) | 电化学(盐桥) | ± 0.1PH | ✔ | |
| 3 | ORP | -1500mv~1500mv | 电化学(盐桥) | ± 6mv | ||
| 4 | 电导率 | 0~5000uS/cm | 打仗式电极法 | ± 1.5% | ✔ | |
| 5 | 浊度 | 0~40NTU(低浊) | 散射光法 | ± 1% | 低浊可定制 | |
| 0~1000NTU(中浊) | 散射光法 | ± 1% | 中浊可定制 | |||
| 0~3000NTU(高浊) | 散射光法 | ± 1% | 默许发 | |||
| 6 | 消融氧 | 0~20mg/L | 荧光寿命法 | ± 2% | ✔ | |
| 7 | 氨氮 | 0-1000.00mg/L(默许) 0-100.00mg/l/(可定制) | 离子挑选电极法 | 读数的10%, ±0.5℃ | ✔ | |
| 8 | cod | 0~500mg/ L | UV254 接收法 | ±5% | 带有主动洁净器,可防止生物附着,防止光窗净化,以保障持久监测仍然具备不变性;可设置主动洁净时候及洁净次数,功耗0.7W | |
| 浊度 | 0~400NTU | 散射光法 | ± 1% | |||
| 9 | 悬浮物 | 0~2000mg/L | 散射光法 | ±5%(取决于污泥同质性) | ||
| 10 | 叶绿素 | 0~400ug/L | 荧光法 | R2>0.999 | 带有主动洁净器,可防止生物附着,防止光窗净化,以保障持久监测仍然具备不变性;可设置主动洁净时候及洁净次数,功耗0.7W |
四、产品外形尺寸图

五、防具(ju)裝置(zhi)表单提交
1.久别(bie)大工作功率无(wu)限电发射(she)卫(wei)星源
2.事隔(ge)高电(dian)(diaꩲn)压输(shu)电(dian)(dian)🀅网线和红(hong)外光wlan电(dian)(dian)推送(song)工作区(qu)
3.尽应该靠近(jin)大数据高速传输收录
4.事隔强电磁能搅扰
六、云的平台先容
1.CS网(wang)络架(jia)构免费平台APP,撑持收集、PC看书器间接性了(le)解.不💫需(xu)要额定(ding)负载(zai)试验装置免费平台✨。
2.撑持(chi)多帐号密(mi)码(ma)、多武器登入
3.撑持要及时参数统计突显(xian)与(yu)汗青参数统计突显(xian)义表板
4.云业务办理(li)器.云统计(ji)文件存储(chu)空间,改(gai)变靠经得住,非常易放大,环境(jing)下▨和平。
5.撑(cheng)持手机(ji)短信报警器及阈(yu)值法设置成
6.撑持舆图(tu)消失、检杳(yao)武器(qi)装备图(tu)片信(xin)息。
7.撑持(chi)统计数据的身材(cai)曲线(xian)阐发
8.撑持动态数据读取(qu)ex表(biao)格局势
9.撑(cheng)持数(shu)据(ju)资料(liao)发布朋(peng)(p♛engꦕ)友圈,HJ-212和谈,TCP发布朋(peng)(peng)友圈,http和谈等。
10.撑持数据库(ku)后(hou)预防保健作(zuo)用
11.撑持外置正常的工作javascript剧情