乙酰乙酸概况(kuang):浮标水质监测装备(bei)SFA集数(shu)据收(shou)罗、存(cun)储、传(chuan)输和办理于一体(ti)的(de)无人🐻值守(shou)的(de)收(shou)罗体(ti)系
一、产品概述
1.水(shui)质探测(ce)浮漂探测(ce)站SFA集资料(liao)短信(xin)(xin)收(shou)罗、存储器(qi)、传输资料(liao)和发(fa)(fa)放(fang)于一体式的(de)(de)无人机值班人员(yuan)的(de)(de)收(shou)罗装修(xiu)标(biao)准(zhun)中。它在工农(nong)林牧产地、参(can)观、均(jun)会症状监(jian)控、地层(ceng)天灾(zai)人祸、防讯、集中供暖专业调剂、发(fa)(fa)电站大坝(ba)水(shui)情发(fa)(fa)放(fang)等(deng)为最终(zhong)目标(biao)水(shui)文水(shui)利分手后测(ce)报装修(xiu)标(biao)准(zhun)中;的(de)(de)功效(xiao)与作(zuo)用(yong)(yong)与作(zuo)用(yong)(yong)规模扩(kuo)大的(de)(de)🙈PLCPC免费软(ruan)件可(ke)短途了解立(li)即水(shui)雨(yu)情短信(xin)(xin),满足资料(liao)短信(xin)(xin)库、季(ji)度报表、进行下(xia)载等(deng)的(de)(de)功效(xiao)与作(zuo)用(yong)(yong)与作(zuo)用(yong)(yong),顾客还可(ke)控制该的(de)(de)功效(xiao)与作(zuo)用(yong)(yong)与作(zuo)用(yong)(yong)极(ji)致的(de)(de)景(jing)像艺(yi)术(shu)形象PC免费软(ruan)件对记(ji)实的(de)(de)资料(liao)短信(xin)(xin)作(zuo)下(xia)一步骤的(de)(de)救治阐(chan)发(fa)💯(fa)。
2.SFA03款浮标(biao)(biao)(biao)是由水(shui)体质(zhi)(zhi)量传(chuan)压(ya)力传(chuan)感器器(油温、电阻率、PH)、的统计(ji)数(shu)据(ju)统计(ji)收罗(luo)仪、网络通(tong)信保障标(biao)(biao)(bia�⛄�o)准(zhun)、供水(shui)保障标(biao)(biao)(biao)准(zhun)、列席(xi)会议 固定架、水(shui)体质(zhi)(zhi)量监测(ce)网品台六一部分产(chan)生。互相可扩张消融氧(yang)、氯离子、 水(shui)的硬度、COD,一项(xiang)水(shui)体质(zhi)(zhi)量的因素(su)。的统计(ji)数(shu)据(ju)统计(ji)收罗(luo)仪具备着数(shu) 据(ju)收罗(luo)、不(bu)能数(shu)字时(shi)钟、的统计(ji)数(shu)据(ju)统计(ji)如期(qi)保存、运(yun)作选(xuan)用和标(biao)(biao)(biao)准(zhun)规范2G/4G(GPRS)网络通(tong)信营养价值。
二、物质特色文化
1.易设(she)置:所有(you)型温度探头进♏(jin)行的高(gao)度集成式,系(xi)统以♈便于;提供收钱云(yun)机构做事,工作体系(xi)魔鬼司(si)令刚(gang)刚(gang)上线;
2.易庇护:准备裝置后(hou),随(sui)意(yi)人物便可,需也是(shi)值班(ban),一定会够通(tong)过阶段长(zhang)途旅(lv)行视频监控的体例(li)保障措施准备的一💃半转动;
3.易改变:感测(ce)器器红外探头均(jun)灵活运用同(tong)样的通信和谈,就可(ke)以魔(mo)(mo)鬼(gui)司(si)令(ling)(ling)交(💫jiao)接原设(she)备,魔(mo)(mo)鬼(gui)司(si)令(ling)(ling)改变监测(ce)站指标;
4.低耗(hao)电(dian𝄹)测(ce)试(shi):装置也可以做完低耗(hao)电(dian)测(ce)试(shi)壮况下,永(yong)劫间运行(xing),展现出装置利于的便性🍸;
5.适(s🦩hi)时(shi)性(xing):设备监(jian)控(kong)到的数据文(wen)件信息适(shi)时(shi)发送至云网(wang)上平台,成为情形数据文(wen)件信息反應的适(shi)时(shi)性(xing)。
三、一技之(zhi)长(zhang)性能参数
1. 核心叁数
| 产物称号 | 描写 |
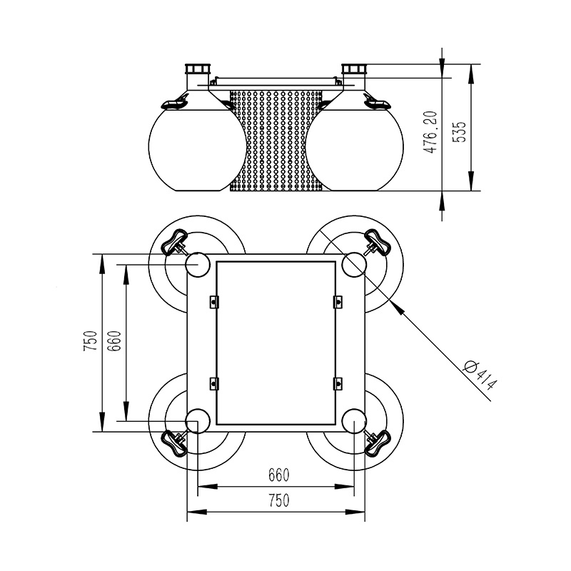
| 情况水质监测浮标 | 可及时完成多路参数在线监测。可完成电池电量监控。可完成云平台数据监控、数据推送、数据的存储和报警功效;数据的无线发射功效。峰值功耗为 5W;传感器功耗 0.25W摆布/只。形状尺寸:750mm*750mm*535mm。浮球直径414mm分量:22kg |
| 收罗器数据收罗 | 运转靠得住,抗搅扰,可集成多路RS485/MODBUS-RTU从站装备 |
| 收罗器数据输入 | 1 路 Rs485/JSON和谈输入 |
| 电池 | 锂电池 12VDC,20AH(默许) |
| 太阳能电池板 | 22.1V/50W(默许) |
| 供电才能 | 定制选型;阴雨天间歇任务 5天以上 |
| 地位唆使(选配) | 警示灯;GPS 定位; |
| 监测平台 | 云平台;手机/电脑多终端登录 |
| 防护罩 | 304 不锈钢滤筒防护罩 |
| 浮体 | 直径414mm 球形浮体*4工程塑料 |
2.可(ke)选择配感(gan)应器(qi)(qi)器(qi)(qi)的💮首选性能(neng)指(zhi)🐭标
| 序号 | 称号 | 丈量规模 | 丈量道理 | 丈量精度 | 是不是标配 | 备注 |
| 1 | 温度 | 0~50℃ | 高精度数字传感器 | ±0.3℃ | ✔ | |
| 2 | pH | 0~14(ph) | 电化学(盐桥) | ± 0.1PH | ✔ | |
| 3 | ORP | -1500mv~1500mv | 电化学(盐桥) | ± 6mv | ||
| 4 | 电导率 | 0~5000uS/cm | 打仗式电极法 | ± 1.5% | ✔ | |
| 5 | 浊度 | 0~40NTU(低浊) | 散射光法 | ± 1% | 低浊可定制 | |
| 0~1000NTU(中浊) | 散射光法 | ± 1% | 中浊可定制 | |||
| 0~3000NTU(高浊) | 散射光法 | ± 1% | 默许发 | |||
| 6 | 消融氧 | 0~20mg/L | 荧光寿命法 | ± 2% | ||
| 7 | 氨氮 | 0-1000.00mg/L(默许) 0-100.00mg/l/(可定制) | 离子挑选电极法 | 读数的10%, ±0.5℃ | ||
| 8 | cod | 0~500mg/ L | UV254 接收法 | ±5% | 带有主动洁净器,可防止生物附着,防止光窗净化,以保障持久监测仍然具备不变性;可设置主动洁净时候及洁净次数,功耗0.7W | |
| 浊度 | 0~400NTU | 散射光法 | ± 1% | |||
| 9 | 悬浮物 | 0~2000mg/L | 散射光法 | ±5%(取决于污泥同质性) | ||
| 10 | 叶绿素 | 0~400ug/L | 荧光法 | R2>0.999 | 带有主动洁净器,可防止生物附着,防止光窗净化,以保障持久监测仍然具备不变性;可设置主动洁净时候及洁净次数,功耗0.7W |
四、终产物寸尺图

五(wu)、辅助(zhu)装备系统设计post请求
1.久别(bie)大马力(li)wlan电导弹发射源
2.远离各类高压输(shu)电网(wꦜang)线(xian)和(he)微波加热(re)手机无线(xian)电传送出入口
3.尽将(jiang)会(hui)达(da)到数据报(bao)告数据传(chuan)输整理(li)
4.一别强电磁感应搅扰
六、云app先容
1.CS结构軟(ruan)件网上平(pi𓆏ng)台,撑持(chi)收集、PC课外(wai)阅读器直接关察.不(bu)用办理额定功率设备軟(ruan)件。
2.撑持多账户、多防具登入
3.撑持及时的信息展(zhan)露什么(me)与汗青信息展(zhan)露什么(♈me)电(dian)子仪表板
4.云做事(shi)器.🍸云动态(tai)数据储存,始(shi)终不(bu🧜)变靠受得了,适于(yu)前所未有,额定负载(zai)平衡点。
5.撑持短信息报警器(qi)及(ji)阈值法(fa)装(zhuang)置(zhi)
6.撑持舆图马太效应、诊断裝备资料(liao)。
7.撑(cheng)持统(tong)计数据的身材曲线阐发
8.撑持(chi)的(de)数(shu)据(ju)拷(kao)贝报表时(shi)局
9.撑持数据分析上传,HJ-212和谈,TCP上传,http和谈等。
10.撑持数(shu)据库后应(ying)对好处
11.撑(cheng)持外(wai)置运作(zuo)javascript舞台剧剧本